
| Параметры | ЭКГ 8И |
|---|---|
| Емкость ковша для тяжелых грузов, м3 | 8 |
| Емкость ковша для средних грузов, м3 | 10 |
| Продолжительность цикла при работе в отвал на 90 град., с | 28 |
| Скорость перемещения экскаватора по горизонтальной площадке, км/час | 0,42-0,45 |
| Наибольший подъем преодолеваемый экс-ом при твердом грунте, град | 12 |
| Среднее давление на грунт при пердвижении, кгс/см2 | 2,05 |
| Мощность сетевого электродвигателя, кВт | 520 |
| Напряжение проводимого ток, В | 6000/3000 |
| Масса экскаватора с насыпным противовесом, кг | 373,0 |
| Масса противовеса, кг | 27-33 |
| Длинна стрелы, м | 13,35 |
| Угол наклона, град | 47 |
| Длинна рукояти, м | 11,425 |
| Ход рукояти, м | 4,3 |
| Наибольший радиус черпания на уровне стоянки экскаватора, м | 12 |
| Наименьший радиус черпания на уровне стоянки, м | 7,2 |
| Наибольший радиус черпания, м | 18,34 |
| Высота копания при наибольшем радиусе копания, м | 8,30 |
| Высота черпания наибольшая, м | 13,16 |
| Расстояние от оси вращения экс-ра до зубьев при наивысшем положении ковша, м | 16,00 |
| Наибольший радиус выгрузки, м | 16,3 |
| Высота выгрузки при наибольшем радиусе выгрузки, м | 6,10 |
| Наибольшая высота выгрузки, м | 9,2 |
| Радиус выгрузки при наибольшей высоте выгрузки, м | 14,7 |
| Радиус вращения хвостовой части, м | 7,26 |
| Габаритная ширина кузова, м | 6,512 |
| Габаритная высота крышки, м | 6,67 |
| Габаритная высота экскаватора без стрелы, м | 11,545 |
| Просвет под поворотной платформой, м | 2,765 |
| Высота оси пяты стрелы, м | 4,095 |
| Расстояние от оси пяты стрелы до оси вращения, м | 2,4 |
| Длинна гусеничного хода, м | 7,95-8,23 |
| Ширина гусеничного хода, м | 6,98 |
| Ширина гусеничной цепи, м | 1,4 |
Экскаватор ЭКГ-8И состоит из рабочего оборудования, поворотной платформы с установленными на ней механизмами и ходовой тележки.
Рабочее оборудование
Рабочее оборудование включает в себя стрелу, рукоять, ковш с подвеской, механизм открывания днища ковша и подвеску стрелы.
Шарнирно-сочлененная стрела состоит из нижней и верхней секций сварной конструкции трубчатого сечения. Стрела воспринимает нагрузки от ковша с рукоятью и передает их на поворотную платформу и подвеску стрелы. Рукоять соединена со стрелой подвижно качающимся седловым подшипником. Ковш подвешен на подъемном канате, огибающем головные блоки на стреле. Подвеска стрелы шарнирно соединена с двуногой стойкой, передающей нагрузки от стрелы на поворотную платформу.
Поворотная платформа
Поворотная платформа служит основанием для установленных на ней механизмов экскаватора и рабочего оборудования и составляет вместе с ними поворотную часть экскаватора. Рама поворотной платформы является одновременно корпусом противовеса экскаватора. На поворотной платформе установлены подъемная лебедка, механизм поворота, напорная лебедка, компрессор, кузов экскаватора, кабина машиниста с органами управления.
Ходовая тележка
Поворотная платформа опирается на роликовый круг, лежащий на кольцевом рельсе ходовой тележки, и соединяется с ходовой тележкой центральной цапфой. Ходовая тележка служит опорой всей вращающейся части экскаватора. Конструктивно ходовая тележка состоит из нижней рамы сварной конструкции, гусеничного хода, ходовых механизмов индивидуального привода гусениц и зубчатого венца с роликовым кругом.
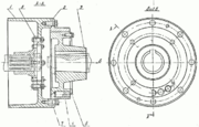
Напорный механизм
Напорный механизм служит для сообщения рукояти возвратно-поступательного движения. Механизм состоит из напорной лебедки и канатов.
Лебедка имеет привод от электродвигателя, соединенного с редуктором фрикционной муфтой предельного момента. На выходные валы редуктора насажены барабаны.
Торможение напорного механизма при работе осуществляется противотоком. Для затормаживания механизма напора при остановке машины и обесточивший экскаватора предусмотрен колодочный пневматический тормоз, унифицированный с тормозами механизма подъема.
Подъемный механизм
Подъемный механизм служит для подъема и опускания ковша. Механизм состоит из подъемной лебедки и канатов. Лебедка приводится в движение двумя электродвигателями, соединенными с редуктором двумя упругими муфтами. На выходные валы редуктора насажены барабаны, на которых крепятся подъемные канаты .
Торможение подъемного механизма при работе осуществляется противотоком. Для затормаживания механизма подъема при остановке машины и обесточивании экскаватора предусмотрены два колодочных пневматических тормоза, унифицированных с тормозом механизма напора.
Поворотный механизм
Поворотный механизм экскаватора служит для вращения поворотной платформы с механизмами и рабочим оборудованием. Привод поворота осуществляется двумя одинаковыми механизмами, каждый из которых состоит из электродвигателя и редуктора. На верхнем коническом конце вала каждого электродвигателя установлен тормозной шкив для колодочного тормоза, предназначенного для затормаживания механизма поворота при передвижении экскаватора, на стоянке и при аварийном обесточивании, а на нижнем конце закреплена шестерня, являющаяся ведущей шестерней редуктора поворота. Консольный выходной вал редуктора заканчивается бегунковой шестерней, сцепленной с неподвижным зубчатым венцом, расположенным на нижней раме ходовой тележки экскаватора.
Пневматическая система
Пневматическая система служит для управления тормозами поворота, подъема и напора, обдува сжатым воздухом электрооборудования и механизмов, управления входной лестницей, подачи сигнала и привода различного пневматического инструмента.
Воздух нагнетается компрессорной станцией, которая состоит из компрессора ВВ-О7/8 с приводом от электродвигателя и двух последовательно соединенных воздухосборников. Общий объем воздухосборников 47 л. На всасывающем патрубке компрессора установлен воздушный фильтр. На нагнетательной трубе перед воздухосборником установлены маслоотделитель со спускным краном и обратный клапан.
Ходовой механизм
Ходовой механизм служит для перемещения экскаватора и состоит из электродвигателя, тормоза, редуктора и бортовых передач гусеничного хода.Электродвигатель установлен на корпусе редуктора, который прикреплен к гусеничной раме, и соединен с ним эластичной муфтой, служащей одновременно тормозным шкивом электромагнитного тормоза. Новым в практике отечественного и зарубежного экскаваторостроения для машин данного класса является установка раздельного привода на каждую гусеницу механизма хода. Зубчатые передачи всех механизмов заключены в пыленепроницаемые масляные ванны, а их валы смонтированы на подшипниках качения.
Механизмы, расположенные на поворотной платформе (кроме напорного), закрыты металлическим кузовом, который снабжен принудительной вентиляцией и внутренним освещением. Поднятая над кузовом кабина машиниста обеспечивает хорошую обзорность, просторна, герметизирована, снабжена системой отопления, вентиляци обогрева стекол. Экскаватор имеет ряд вспомогательных механизмов, обеспечивающих выполнение ремонтных и монтажных работ. В случае необходимости экскаватор ЭКГ-8И может быть переоборудован в экскаватор ЭКГ-4у или ЭКГ-6,Зус. Для этого необходимо только произвести замену рабочего оборудования (стрелы, рукояти, ковша, подвески стрелы). Основные узлы унифицированы с соответствующими узлами экскаватора ЭКГ-4у, ЭКГ-6,Зус.
Поделиться с друзьями: