+7 (933)323-02-20
660073 г. Красноярск, ул. Писателя Н. Устиновича, дом 18
Режим работы: 8:00 до 20:00

ЭКГ 5

 

ПараметрыЭКГ 5АЭКГ 5ВЭКГ 5Д
Вместимость ковша основного, м3 5,2
Вместимость ковшей сменных, м3 3,2; 4,6; 6,3; 7
Радиус черпания наибольший, м 14,5
Радиус черпания на уровне стояния, м 9,04
Высота черпания наибольшая, м 10,3
Радиус выгрузки наибольший, м 12,65
Высота выгрузки наибольшая, м 6,7
Радиус хвостовой части, м 6,7 6,5 6,5
Просвет под поворотной платформой, м 1,89
Длина гусеничного хода, м 5,83
Ширина гусеничной ленты, мм 900/1100/1400
Среднее удельное давление на грунт при передвижении, кгс/см2 2,1/1,72/1,3 2,19/1,79/1,52 2,1/1,72/1,3
Среднее удельное давление на грунт при передвижении, кПа 205/162/127 215/176/149 205/162/127
Наибольшее усилие на подвеске ковша, кН - 500 500
Расчетная продолжительность цикла на угол 900, с 23 26 23
Наибольший преодолеваемый угол подъёма, рад (град) 0,2(12)
Скорость передвижения по горизонтальной площадке, км/час 0,55
Напряжение питающей сети, кВ 3; 3,3; 6; 6,6 3; 3,3; 6; 6,6 -
Тип электропривода Г-Д с МУ * Г-Д с МУ * Дизель-электрический
Мощность сетевого двигателя, кВт (трансформатора, кВА) 250 250(400)  
Масса рабочая, т 196 207 195

 

Рабочее оборудование

Рабочее оборудование включает ковш, ру­коять ковша, механизм открывания ковша, стрелу с напорным механизмом и двуногую стойку. Нижний конец стрелы опирается на подпятники поворотной платформы, а верхний — поддерживается на весу канатным полиспас­том.

Ковш

Ковш состоит из передней и задней стенок, днища, коромысла и обоймы с уравнительным блоком. Передняя стенка из высокомарганцо­вистой стали снабжена пятью съемными зубья­ми из той же стали. Передняя стенка и зубья наплавляются твердым сплавом типа «Сормайт». Корпус ковша соединяется пальцами с коромыслом и днищем.

Рукоять ковша

Рукоять ковша состоит из двух сварных балок прямоугольного сече­ния, изготовленных из листов низколегирован­ной стали с приваренными цельнокатаными рейками.

Стрела

Стрела представляет собой сварную металлическую конструкцию коробчатого сече­ния. На стреле экскаватора установлены на­порный механизм, головные блоки, блоки стре­лового каната и лебедка открывания ковша. Для устойчивости стрела закреплена к пово­ротной платформе боковыми тягами.

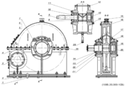
Поворотная платформа с меха­низмами

На поворотной платформе уста­новлены подъемная лебедка, два поворотных механизма, электрооборудование, пневмосистема, двуногая стойка, стреловая лебедка и ку­зов.

В передней правой части платформы распо­ложена кабина машиниста.

Поворотная платформа через роликовый круг опирается на ходовую тележку и соединена с ней центральной цапфой. Между поворотной и нижней рамами установлен высоковольтный то­коприемник.

Лебедка подъема стрелы имеет привод от электродвигателя лебедки подъема ковша.

Напорный механизм приводится от электро­двигателя, на валу которого закреплена шес­терня, находящаяся в зацеплении с зубчатым колесом промежуточного вала редуктора.

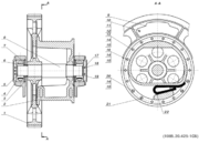
Поворотный механизм состоит из двух оди­наковых агрегатов. Каждый из них имеет вер­тикальный электродвигатель с фланцем, опи­рающимся на корпус редуктора.

Ходовая тележка

Ходовая тележка состоит из нижней рамы, гусеничного хода, зубчатого венца с нижним кольцевым рельсом, редуктора хода с тормо­зом, гидросистемы управления тормозом, муф­тами переключения гусеничного хода.

Ходовой механизм приводится в движение электродвигателем, установленным на перед­ней стенке нижней рамы.

Пневматическая система предназначена для управления тормозами подъема, поворота, на­пора, продувки электрооборудования от пыли, подачи звукового сигнала и привода различного пневматического инструмента сжатым воз­духом от одноступенчатого двухцилиндрового компрессора подачей 580 л/мин рабочим дав­лением 0,7 МПа.

Гидросистема предназначена для управления тормозом ходового механизма и механизма переключения гусениц. Основные детали гид­росистемы расположены на задней стенке ниж­ней рамы.